偏置电路与宽带偏置电路(Bias-Tee) -----电感器比较与选择
发布时间:2024-11-18
浏览量: 1919
偏置电路与宽带偏置电路(Bias-Tee)
-----电感器比较与选择
偏置电路:
偏置是电子电路设计中不可或缺的组成部分。偏置电路的作用是为晶体管或其他半导体器件提供一个稳定的直流工作点,确保器件在最佳性能区域内工作。
晶体管构成的放大器要做到不失真地将信号电压放大,就必须保证晶体管的发射结正偏、集电结反偏。通过外部电路的设置使晶体管的基极、发射极和集电极处于所要求的电位。这些外部电路就称为偏置电路。
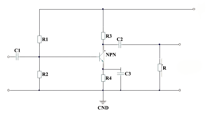
晶体三极管常用的共射放大电路如图1。

以常用的共射放大电路为例,如图1所示。当是PNP型晶体三极管时,主电流是从发射极(e极)到集电极(c极)的Ic,偏置电流就是从发射极(e极)到基极(b极)的Ib。相对与主电路而言,为基极提供电流的电路就是所谓的偏置电路。这些外部电路,为发射极(e极)与基极(b极)之间(即发射结)提供正向偏置电压;为基极(b极)与集电极(c极)之间(即集电结)提供反向偏置电压。因此,偏置电路也可理解为,设置晶体管PN结正、反电压的电路,偏置电路为晶体管基极(b极)提供的电流Ib称为偏置电流。
上述偏置电路是在直流或者低频率段应用,有如下特点:稳定性好、温度特性优良、调整方便以及能够提供稳定的工作点,使其在直流或低频率段的应用中能够确保电路的可靠性和准确性。
宽带偏置电路:
对于射频或者微波放大器,需要在一个高频或者宽频范围内工作,外部的偏置电路就需要增加宽频及高频的型号处理能力。
因此,宽带或者高频偏置电路则是在偏置电路的基础上,增加了对宽频尤其是高频信号的处理能力,使其能够适应更高更宽的频率范围,这对于射频和微波通信设备尤为重要。通过宽带元器件选型和宽高频偏置电路设计,可以有效减少信号失真,提高电路的稳定性和可靠性。
图2为向RF放大器提供偏置电流的典型电路。通常,RF放大器的RF输出端是主功率晶体管的漏极或集电极。虽然该节点是RF输出,但也必须提供偏置电流。
图2.使用偏置三通的典型RF偏置
宽带偏置三通设计具有一定的挑战性。电子电路板(PCB)设计以及电感器和交流耦合电容器的选择至关重要。尤其是伴随射频的频率提高,目前的放大器的频率性能指标已经从几百MHz到达67GHz,乃至110GHz,这时的宽带偏置电路中的元件的选择至关重要,高频下的寄生效应会显著影响偏置电路的性能,导致高频下放大器的功率不达标,常表现为增益响应随频率下降或者在某个频段衰减过大。图2为放大器等芯片配置的典型RF偏置,提供电流通常通过电感器提供(图2中的L1)。RF输出通过交流耦合电容与该直流偏置隔离(图2中的C2)。电感和交流耦合电容的这种布置通常称为偏置三通。
因此,在宽带偏置电路设计和应用中,宽带电感器及宽带电容器器成为宽带偏置电路的关键核心器件。其中,根据设计的目标及匹配的芯片参数,宽带电感器有多种结构类型可供选择,以满足特定应用的性能需求。匹配、谐振器和扼流圈是射频电路中电感器的常见用途。匹配涉及消除阻抗失配并最大限度地减少电路块(例如天线和射频块或中频 (IF) 块之间的线路中的反射和损耗)。谐振在合成器和振荡电路中用于调谐电路并设置所需的频率。
物理射频电感器是非理想器件,包括寄生电阻、电感和电容,这些都是非线性和复杂的影响,会影响性能并导致需要在各种性能规格之间进行权衡。如:更高的电流需要更大的导线或更多相同导线尺寸的股线,以将损耗和温升降至最低。更大的导线会降低 DCR 并增加 Q,但代价是更大的零件尺寸和可能更低的 SRF。在额定电流方面,绕线电感优于相同尺寸和电感值的多层电感。并且绕线电感器的 Q 值比相同尺寸和电感的多层电感器高得多。
通过使用匝数较少的铁氧体磁芯电感器可以实现更高的电流容量和更低的 DCR。然而,铁氧体可能会带来新的限制,如电感随温度的变化更大、容差更宽松、Q 值更低以及饱和电流额定值降低。具有开放磁结构的铁氧体电感器即使在满额定电流下也不会饱和。
一般可供选择的射频或者宽带电感器有:
(1)陶瓷芯贴片电感用于射频和微波频率通信设备中的窄带滤波。它们提供非常高的 Q 和非常严格的电感容差最低低至 1%。比较适用于一定的带宽范围(一定意义上的窄带)。
(2)铁氧体或铁芯贴片电感器是绕线射频扼流圈,可提供隔离和宽带滤波而不会导致磁芯饱和。频率特性最高可达10G左右;
(3)多层片式电感器可以提供低 DCR、高 Q 和高温操作。陶瓷材料结构可在高频下实现高性能,多层工艺可提供广泛的电感值。多层器件可以提供比薄膜或空芯版本更宽的电感范围,但无法与线绕的电感范围或电流额定值相匹配。
(4)空心电感器是绕线射频扼流圈,可提供隔离和宽带滤波而不会导致磁芯饱和。频率范围一般上限在6GHz左右,否则体积容易过大,不易和电路设计空间匹配。在给定的 EIA 尺寸中,它们提供最高的电感和最低的 DCR。
(5)锥形和宽带电感器在很宽的带宽内具有高阻抗,相对没有谐振,寄生电容小,电流处理能力强。通常采用飞线或表面贴装封装,单个锥形能够替代宽带偏置应用中级联的几个窄带电感器。绕线方式提供了高电流处理能力,磁性材料不会在某个频段饱和彻底失效。这为宽带通讯应用提供了最佳的选择。
